티스토리 뷰
A Buck Converter is a DC/DC Converter which decrease voltage from input Voltage to output Voltage. It contains an IGBT or MOSFET, a diode, an inductor and a capacitor. Behavior of IGBT or MOSFET is the same as the switch. Buck Converter have 2 difference modes. One mode switch will be on and other mode, switch will be off. When the switch is turned on at that time, the current will be flow from supply through inductor to load and capacitor. When the switch is on, the inductor is charged opposite polarity of the input voltage. In other mode, the switch will be off. Now the charged inductor will be supplied with the same polarity. The current will be continued to flow from inductor through load or capacity to diode.

The IGBT requires a current at the gate, and the MOSFET requires a voltage at the gate to flow the main current from the source to the drain.
For that, we can choose two different types of control systems.
1. Open roof buck converter
2. Closed roof buck converter
In this example, I created a buck converter model in continuous mode. So I used the following equation to calculate the value of capacity and inductor.


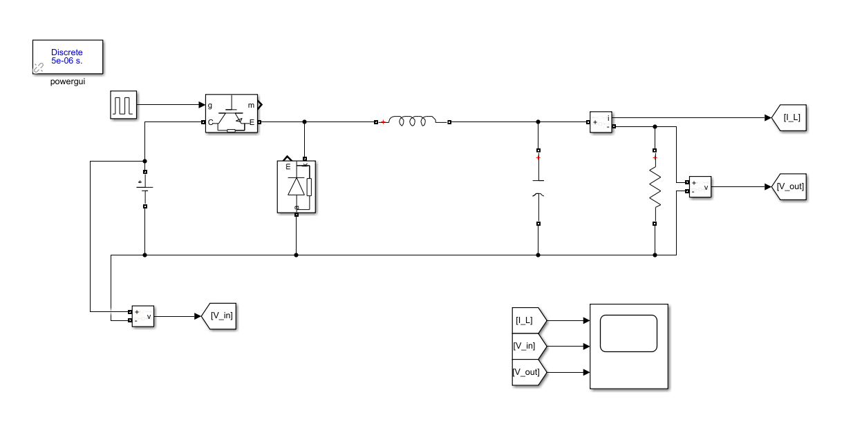
- Open Loop Buck Converter
The Open Loop Buck Converter uses only simple pulse signals for gate signals. The pulse width is determined by how high the output voltage will be. Therefore, the pulse width is selected depending on how much output voltage you want.
D = V_out / V_in


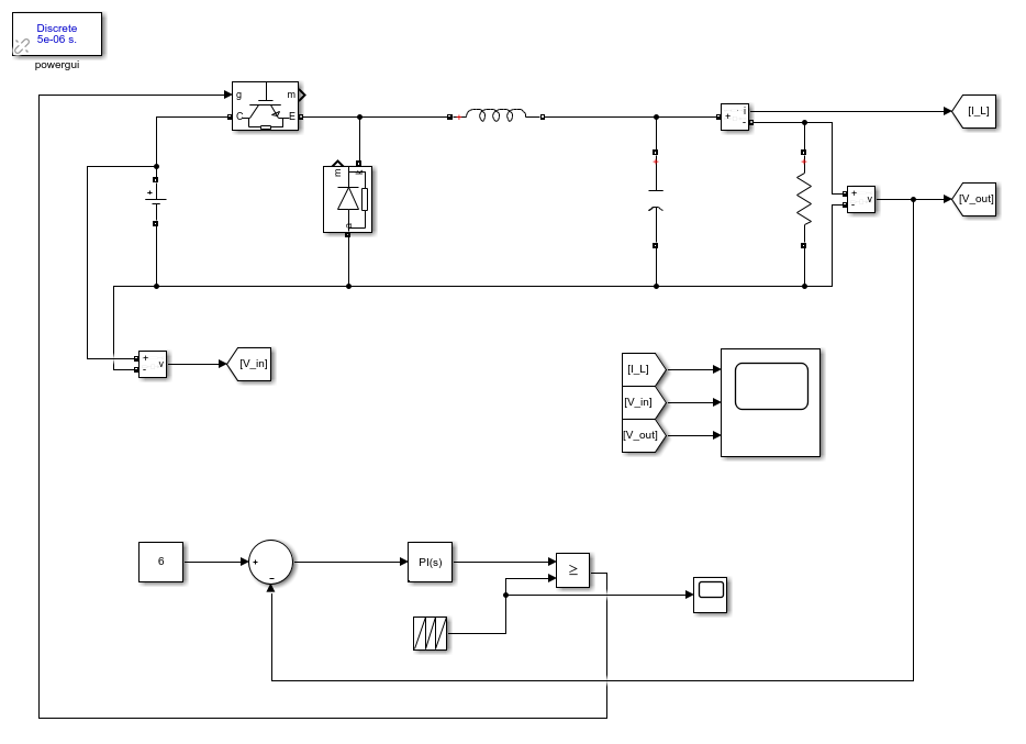
- Closed Loop Buck Converter
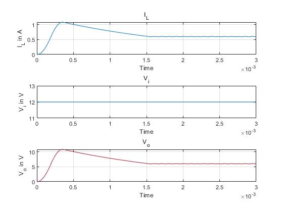
The Closed Loop Buck Converter, be used PI Controller. Simple explanation is, we can set the reference voltage with constant block. And then, we can compare reference voltage to output voltage on the load. As you can see, the reference voltage is set 6 V and output voltage is also 6 V


'Power electronic' 카테고리의 다른 글
| Design of LCL Filter and pre-Test for stability with PI-controller (0) | 2022.10.21 |
|---|---|
| 3ph Converter with LCL Filter (0) | 2022.10.17 |
| Single Phase Active Rectifier (1) | 2022.10.06 |
| Single Phase Inverter (0) | 2022.10.01 |